Ohm's Law and resistance
The current through a certain wire depends on
two things:
(a) the voltage (potential difference) between its ends
(b) the resistance of the
wire
The way in which the current changes as the voltage is changed was discovered by Ohm.
You can verify his results with the following experiment.
STUDENT INVESTIGATION
Take a one metre length of constantan wire and connect it to a variable voltage power supply, voltmeter and ammeter. Vary the voltage applied to the wire and take a set of readings of current and voltage.
Keep the current below 0.5 A throughout.
Plot a graph of these readings.
The experiment should show you that there is a steady
rise in current for a steady rise in applied voltage. In other words the current through a conductor is
directly proportional to the potential difference between its ends.
OHM'S
LAW
This result was first discovered by a man named Ohm and so it is called Ohm's
Law.
Ohm's Law states that:
The ratio of the current in a conductor to the potential difference (voltage difference) between it ends is a constant as long as the temperature stays constant.
This constant is called the RESISTANCE of the conductor.
You can write this in an equation as:
Resistance = Voltage (V)/Current(I) or R = V/I
Resistance is measured in units
called Ohms (
W). The resistance of a piece of wire is 1 ohm if a current of 1 A flows through it
when a voltage of 1 V is applied between its ends.
If you plot a graph of current through a
piece of wire against the voltage applied you should get a result like the one shown in the diagram.
(Remember that the temperature of the wire must not change.
Ohm's Law is often written:
Voltage = Current x Resistance
or: V = IR
Example problems
1. A 6V battery is connected to a small electromagnet and a current of 1.5 A flows through it. What is the resistance of the electromagnet?
Resistance = voltage/current = 6/1.5= 4 W
2. What current will flow through a circuit with a resistance of 2400 W if it is connected to a 2 V battery?
Current = Voltage/Resistance = 2/400 = 1/200 A= 5 mA
3. A current of 0.5 mA flows through a resistor of 100 kW . What voltage is needed to do this?
Voltage = Current x resistance
= 0.005 x 100 000 = 100 V
The symbol for a resistor in a circuit is:
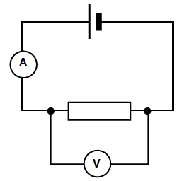
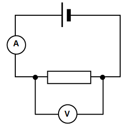
Using an ammeter and a voltmeter to measure
resistance
To measure the resistance of say a piece of wire or a resistor we must find the
voltage (potential difference) between its two ends and the current flowing through it. To do this we
use the circuit shown in the diagram.

Remember:
An ammeter is always connected in series with the component and a voltmeter is always connected in parallel with the component.
STUDENT INVESTIGATION
Resistors used in electronic circuits are colour coded to show their resistance, but this resistance is not always exactly what it should be.
Devise and carry out an experiment to measure the accuracy of eight similar resistors.
Write up your experiment fully.
PROBLEMS
1. Which has the bigger resistance - a metre of thick silver wire or a metre of thin silver wire?
2. Copy and complete the following table:
| Voltage |
Current |
Resistance |
| 6V |
2A |
1000 |
| 1000 |
0.5A |
100W |
| 2000V |
1000 |
100W |
| 1000 |
200mA |
5W |
12V |
1000 |
6W |
| 0.5V |
50mA |
1000 |
3. A 50 cm length of constantan wire is connected in series with a bulb and a battery. Should the wire be shortened or lengthened to make the bulb glow brighter?
4. A 6 V battery is connected in turn to a set of lengths of wire. If the currents through the wires are:
(a) 2 A (B) 1.5 A (c) 0.5 A (d) 24 mA (e) 0.002 A
what is the resistance of each piece of wire?
5. A piece of wire with a resistance of 100
W is connected in turn to the following batteries. What is the current flowing in each case?
(a) 2 V (b) 5 V (c) 10 V (d) 250 V
6. What are the restrictions to Ohm’s Law?
A VERSION IN WORD IS AVAILABLE ON THE SCHOOLPHYSICS USB